什么是单片机应用系统
*** 次数:1999998 已用完,请联系开发者***
...智能获得实用新型专利授权:“一种应用于多单片机产品的升级系统”证券之星消息,根据天眼查APP数据显示辰奕智能(301578)新获得一项实用新型专利授权,专利名为“一种应用于多单片机产品的升级系统”,专利申请号为CN202422154641.4,授权日为2025年8月29日。专利摘要:本实用新型涉及一种应用于多单片机产品的升级系统,包括云服务器、主设...

单片机和嵌入式系统有什么不同?软件硬件可裁剪,适用于对功能、可靠性、成本、体积、功耗有严格要求的专用计算机系统。嵌入式系统可以看作是一个完整的计算机,它包括处理器、存储器、输入输出设备、总线、中断系统等组成部分,还有嵌入式操作系统和应用程序2。 单片机,是指单片微控制器,是一种集成电路芯...

知识科普:一文了解常用的单片机品牌和型号单片机是一种集成了微处理器、存储器和输入输出接口的电子芯片,广泛应用于各种嵌入式系统和智能设备中。常用的单片机品牌和型号有很多,根据不同的性能、功能和架构,可以分为以下几类: 51系列单片机:这是一种8位单片机,最早由Intel公司推出,后来被多个厂家仿制和改进。51系列...
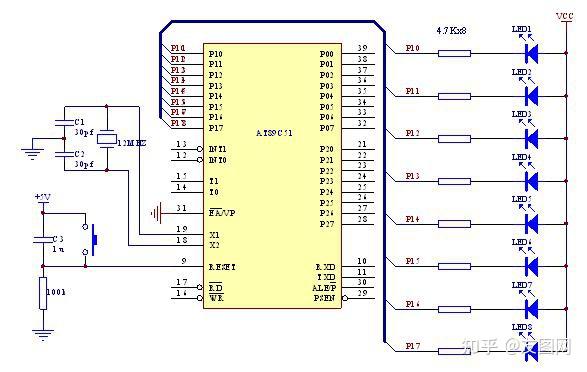
![]()
⊙0⊙ 一文读懂MCS-51系列单片机MCS-51 系列单片机是由美国 Intel 公司于 1980 年推出的一种 8 位微控制器,它具有高性能、低功耗、丰富的外设和易于开发的特点,被广泛应用于各种嵌入式系统和控制设备中。MCS-51 系列单片机包括了多种型号,如 8031、8051、8751、8032、8052、8752 等,其中 8051 是最早最典...

揭秘单片机江湖:一文带你深入了解主流品牌及型号单片机是一种集成了微处理器、存储器和输入输出接口的电子芯片,广泛应用于各种嵌入式系统和智能设备中。市面上有众多品牌和型号的单片机可供选择,根据不同的性能、功能以及架构特点,主要可以将其分为以下几类: 51系列单片机:作为8位单片机的先驱之一,最初由Intel公司推出,之...

如何降低GP8101工作电压?实际上在大多数单片机系统中,都使用 3.3V 或者 5V。那么如果将其应用到 5V系统中,是否能够满足转换要求呢? 二、输出正弦波 提供10V... 芯片内部具体发生么什么,现在不得而知。下面突然冒出一个想法,为了使得GP8101能够工作在5V下,使用了一个短接线将5V电源直接连接到芯...

MCU:微控制单元,你真的了解吗?MCU,即Microcontroller Unit的简写,中文称为微控制器或单片机。它是一种集CPU、内存和外设接口于一体的微型计算机芯片,广泛应用于各类电子设备与系统的控制之中。因其体积小巧、功耗低、成本相对低廉且易于开发使用,使得MCU非常适合嵌入式应用场合。 MCU主要由以下几部...
>ω< 
立马加速器部分文章、数据、图片来自互联网,一切版权均归源网站或源作者所有。
如果侵犯了你的权益请来信告知删除。邮箱:xxxxxxx@qq.com
上一篇:什么是单片机应用系统
下一篇:什么是单片机应用技术